Compact passively-cooled systems find application in a wide variety of market segments including industrial automation, IoT gateways, medical systems, kiosks, surveillance, and digital signage. These are meant to be deployed for 24×7 operation in challenging environmental conditions. The requirements in these segments are often ignored by traditional consumer PCs – wide operating temperature range, ruggedness, support for specific I/O types, etc. Absence of moving parts (fanless nature) reduces scope for system failure.
Supermicro has a number of systems targeting this market under the Embedded/IoT category. Their SuperServer E100 product line makes use of motherboards in the 3.5″ SBC form-factor. In particular, the E100-12T lineup makes use of embedded Tiger Lake-U SoCs to create powerful, yet compact and fanless systems.
The SYS-E100-12T-H based on the Intel Core i7-1185GRE is the highest performing system in the lineup. The review below takes a detailed look at the features and performance profile of the system, along with an evaluation of the thermal solution.
Supermicro’s SYS-E100-12T series of systems is based on the Super X12STN 3.5″ SBC boards. Each board is available to end customers in two variants – one with an integrated heatsink, and another without (WOHS). The SYS-E100-12T takes the Super X12STN-WOHS board and mounts it inside the CES-E101-03 fanless case meant for boards in this particular form factor.
Processors meant for the embedded market make it to end customers much later than their consumer counterparts – they have a long life-cycle, and the qualification cycles are lengthy too. Even though Intel’s Alder Lake processors are trickling into ultra-compact form-factor systems already, the time for wide availability of Supermicro’s SYS-E100-12T has come only now.
Despite the SYS-E100-12T series being tagged as SuperServer systems, the systems do not use ECC memory. There is no separate BMC, but that is not a surprise for a machine based on a 3.5″ SBC board. However, to make up for that, the SYS-E100-12T-H does support vPro and remote management capabilities use AMT. The system also supports Supermicro’s monitoring utility ‘SuperDoctor’ – this allows Nagios integration for centralized infrastructure monitoring.
In keeping up with the target market’s requirements, the SYS-E100-12T comes with a wide range of I/O interfaces – two NBASE-T (up to 2.5Gbps) LAN connections, four USB 2.0 ports, a serial port, multiple COM ports, four USB 3.2 Gen 2 ports (three Type-A and one Type-C), and support for analog audio outputs, WLAN cards, and nano SIM cards.
In addition to the main unit, Supermicro supplies a lockable 12V 7A (84W) DC power adapter, thermal pads for cards to be installed on the board, screws for the installation, as well as mounting hardware for the system.
Our review sample included 2x 32GB DDR4-3200 SODIMMs as well as a 240GB InnoDisk M.2 NVMe drive. The full specifications of the review sample are provided in the table below.
| Supermicro SM-E100-12T-H Specifications (as tested) |
|
| Processor | Intel Core i7-1185GRE Tiger Lake 4C/8T, 1.8 – 4.4 GHz Intel 10nm SuperFin, 12MB L2, 15W |
| Memory | Innodisk M4SE-BGS2OC0M-A DDR4-3200 SODIMM 22-22-22-52 @ 3200 MHz 2×32 GB |
| Graphics | Intel Iris Xe Graphics (96EU @ 1.35 GHz) |
| Disk Drive(s) | Innodisk M.2 (S80) 3TE7 DEM28-B56DK1EW1QF (256 GB; M.2 2280 SATA III;) (64L 3D TLC; InnoDisk ID301 Controller) |
| Networking | 2x 2.5 GbE RJ-45 (Intel I225-IT) |
| Audio | Realtek ALC888S Audio Codec On-board (Optional Audio Jack, N/A in Review System) Audio Bitstreaming Support over HDMI Ports |
| Video | 1x HDMI 2.0b 1x HDMI 1.4b |
| Miscellaneous I/O Ports | 3x USB 3.2 Gen 2 Type-A (Front) 1x USB 3.2 Gen 2 Type-C (Front) 4x USB 2.0 (Rear) Digital I/O via DB9 (Rear) 4x RS-232 COM (Rear) |
| Operating System | Windows 11 Enterprise (22000.708) |
| Pricing | (Street Pricing on June 6th, 2022) US $1216 (Barebones) US $1866 (as configured, no OS) |
| Full Specifications | Supermicro SuperServer E100-12T-H Specifications |
Supermicro is in the process of expanding retail availability of the system. Currently, only one e-tailer has a listing for the product. The SM-E100-12T-H stands out from the the embedded / industrial PCs reviewed previously by us. Dual NBASE-T (2.5 GbE) ports and the presence of a Type-C port are unique selling points. The motherboard used in the system is also quite flexible.
The chassis is made of extruded aluminum and carries significant heft. The top of the chassis mounts as a heat sink on the processor, allowing heat to be dissipated away quickly. A few photographs of the internals of the system are provided in the gallery below.
In the next section, we take a look at the system setup and follow it up with a detailed platform analysis.
Our review sample of the Supermicro SM-E100-12T-H came with all necessary components pre-installed – we only had to load up the OS to start our evaluation process. Prior to that, we took some time to look into the BIOS interface. It must be noted that the processor used in the system is vPro-enabled, and the Intel Management Engine BIOS Extensions can be used to set up AMT for remote management. As is typical for systems targeting the embedded market, the main BIOS interface is a vanilla one. It does provide plenty of configuration options. The video below presents the entire gamut of available options.
Your browser does not support HTML video.
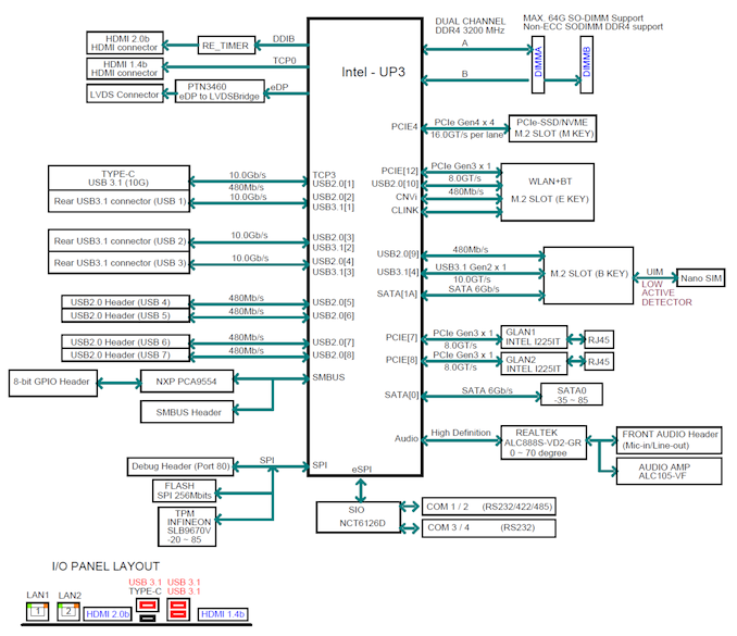
The block diagram below presents the overall high-speed I/O distribution.
The key takeaway from the block diagram is the extensive support for embedded applications, while also sporting an aggressive outlook in terms of bandwidth allocation. Two separate x1 lanes are allocated to each Intel I225-IT controller for the dual 2.5 GbE LAN ports. There are plenty of serial and digital I/O ports connected to the SMBUS and eSPI pins o the SoC. Hardware TPM is available on board, and a SIM slot is also integrated – particularly useful for cases where the system gets deployed with 4G / 5G connectivity. The USB ports in the front panel are all Gen 2 (10Gbps), and there are plenty of USB 2.0 ports for hooking up legacy equipment.
In today’s review, we compare the Supermicro SYS-E100-12T-H and a host of other systems based on processors with TDPs ranging from 15W to 35W. The systems do not target the same market segments, but a few key aspects lie in common, making the comparisons relevant.
| Comparative PC Configurations | ||
| Aspect | Supermicro SM-E100-12T-H | |
| CPU | Intel Core i7-1185GRE Tiger Lake 4C/8T, 1.8 – 4.4 GHz Intel 10nm SuperFin, 12MB L2, 15W |
Intel Core i7-1185GRE Tiger Lake 4C/8T, 1.8 – 4.4 GHz Intel 10nm SuperFin, 12MB L2, 15W |
| GPU | Intel Iris Xe Graphics (96EU @ 1.35 GHz) |
Intel Iris Xe Graphics (96EU @ 1.35 GHz) |
| RAM | Innodisk M4SE-BGS2OC0M-A DDR4-3200 SODIMM 22-22-22-52 @ 3200 MHz 2×32 GB |
Innodisk M4SE-BGS2OC0M-A DDR4-3200 SODIMM 22-22-22-52 @ 3200 MHz 2×32 GB |
| Storage | Innodisk M.2 (S80) 3TE7 DEM28-B56DK1EW1QF (256 GB; M.2 2280 SATA III;) (64L 3D TLC; InnoDisk ID301 Controller) |
Innodisk M.2 (S80) 3TE7 DEM28-B56DK1EW1QF (256 GB; M.2 2280 SATA III;) (64L 3D TLC; InnoDisk ID301 Controller) |
| Wi-Fi | 2x 2.5 GbE RJ-45 (Intel I225-IT) | 2x 2.5 GbE RJ-45 (Intel I225-IT) |
| Price (in USD, when built) | (Street Pricing on June 6th, 2022) US $1216 (Barebones) US $1866 (as configured, no OS) |
(Street Pricing on June 6th, 2022) US $1216 (Barebones) US $1866 (as configured, no OS) |
The NUC11 Elk Bay / Fort Beach combination and the ASRock Industrial NUC BOX-1165G7 are included because they utilize Tiger Lake Core i7 processors operating with the same number of cores and cache size, albeit at a higher TDP. The Tiger Canyon NUC11TNKi5 is included as a Tiger Lake representative with the same number of cores, albeit with lesser amount of cache and a higher TDP. The ASUS PN50 is a representation of AMD’s offering in this domain, though not targeting the same niche. The OnLogic HX500 and the Intel NUC8i5BEB (Akasa Turing) are included for their fanless nature. Both systems are passively cooled, but have a larger physical footprint to accommodate the higher TDP of the processors used in them. The next few sections will deal with comparative benchmarks for the above systems.
Our 2022 test suite for Windows 11-based systems carries over some of the standard benchmarks we have been using over the last several years, including UL’s PCMark and BAPCo’s SYSmark. Starting this year, we are also including BAPCo’s CrossMark multi-platform benchmarking tool.
PCMark 10
UL’s PCMark 10 evaluates computing systems for various usage scenarios (generic / essential tasks such as web browsing and starting up applications, productivity tasks such as editing spreadsheets and documents, gaming, and digital content creation). We benchmarked select PCs with the PCMark 10 Extended profile and recorded the scores for various scenarios. These scores are heavily influenced by the CPU and GPU in the system, though the RAM and storage device also play a part. The power plan was set to Balanced for all the PCs while processing the PCMark 10 benchmark.





Despite appearing in the lower half of the graphs above, the Supermicro SYS-E100-12T-H puts up an impressive performance given its TDP constraints – 15W against the 20W – 35W configuration of the other systems’ processors. In almost all sections, we see the system edge ahead of the Coffee Lake-equipped Bean Canyon NUC and the OnLogic HX500 despite the TDP handicap – a testament to the improvements made in Tiger Lake by Intel.
BAPCo SYSmark 25
BAPCo’s SYSmark 25 is an application-based benchmark that uses real-world applications to replay usage patterns of business users in the areas of productivity, creativity, and responsiveness. The ‘Productivity Scenario’ covers office-centric activities including word processing, spreadsheet usage, financial analysis, software development, application installation, file compression, and e-mail management. The ‘Creativity Scenario’ represents media-centric activities such as digital photo processing, AI and ML for face recognition in photos and videos for the purpose of content creation, etc. The ‘Responsiveness Scenario’ evaluates the ability of the system to react in a quick manner to user inputs in areas such as application and file launches, web browsing, and multi-tasking.
Scores are meant to be compared against a reference desktop (the SYSmark 25 calibration system, a Lenovo Thinkcenter M720q with a Core i5-8500T and 8GB of DDR4 memory to go with a 256GB M.2 NVMe SSD). The calibration system scores 1000 in each of the scenarios. A score of, say, 2000, would imply that the system under test is twice as fast as the reference system.




SYSmark 25 also adds energy measurement to the mix. A high score in the SYSmark benchmarks might be nice to have, but potential customers also need to determine the balance between power consumption and the performance of the system. For example, in the average office scenario, it might not be worth purchasing a noisy and power-hungry PC just because it ends up with a 2000 score in the SYSmark 25 benchmarks. In order to provide a balanced perspective, SYSmark 25 also allows vendors and decision makers to track the energy consumption during each workload. In the graphs below, we find the total energy consumed by the PC under test for a single iteration of each SYSmark 25 workload. For reference, the calibration system consumes 8.88 Wh for productivity, 10.81 Wh for creativity, and 19.69 Wh overall.



In terms of energy efficiency towards getting the workloads processed, the SM-E100-12T-H marks itself in the middle of the pack. The low TDP helps, but the extra time taken to complete the workloads (as seen in the performance scores) reduces the sheen to some extent. The SATA SSD in the system is one of the main culprits responsible for the low responsiveness score.
BAPCo CrossMark 1.0.1.86
BAPCo’s CrossMark aims to simplify benchmark processing while still delivering scores that roughly tally with SYSmark. The main advantage is the cross-platform nature of the tool – allowing it to be run on smartphones and tablets as well.




The relative performance seen in SYSmark 25 translate to CrossMark also, as expected. The responsiveness ratings vary significantly due to the usage of SATA SSDs in certain systems compared to NVMe ones in others.
Standardized benchmarks such as UL’s PCMark 10 and BAPCo’s SYSmark take a holistic view of the system and process a wide range of workloads to arrive at a single score. Some systems are required to excel at specific tasks – so it is often helpful to see how a computer performs in specific scenarios such as rendering, transcoding, JavaScript execution (web browsing), etc. This section presents focused benchmark numbers for specific application scenarios.
3D Rendering – CINEBENCH R23
We use CINEBENCH R23 for 3D rendering evaluation. R23 provides two benchmark modes – single threaded and multi-threaded. Evaluation of different PC configurations in both supported modes provided us the following results.


The improvement in single-threaded performance over Coffee Lake is evident in the first graph, with the SYS-E100-12T-H outclassing both the OnLogic HX500 and Bean Canyon NUC despite the higher TDP of the latter. However, with multi-threading in the picture, the extra cores and higher TDP allow them to claw back the advantage. Overall, the multi-threaded performance case is largely dictated by number of cores and the available power headroom.
Transcoding: Handbrake 1.5.1
Handbrake is one of the most user-friendly open source transcoding front-ends in the market. It allows users to opt for either software-based higher quality processing or hardware-based fast processing in their transcoding jobs. Our new test suite uses the ‘Tears of Steel’ 4K AVC video as input and transcodes it with a quality setting of 19 to create a 720p AVC stream and a 1080p HEVC stream.


A large number of cores and high power budgets help in software transcoding. The SYS-E100-12T-H is comparatively weak in those aspects. So, it comes as no surprise that other systems edge ahead of it in both x264 and x265 encoding tasks.


Intel seems to have made some improvements in HEVC transcoding with QuickSync in moving from Coffee Lake to Tiger Lake. We can see a slight improvement in the rate for the SM-E100-12T-H over the Bean Canyon NUC. Otherwise, while the FPS numbers are good, they are still slightly behind the numbers of other systems because of the available power budget.
Archiving: 7-Zip 21.7
The 7-Zip benchmark is carried over from our previous test suite with an update to the latest version of the open source compression / decompression software.


This test is again a measure of the number of cores and power budget availability. Unfortunately, the SYS-E100-12T-H is a bit weak in both aspects on a comparative basis.
Web Browsing: JetStream, Speedometer, and Principled Technologies WebXPRT4
Web browser-based workloads have emerged as a major component of the typical home and business PC usage scenarios. For headless systems, many applications based on JavaScript are becoming relevant too. In order to evaluate systems for their JavaScript execution efficiency, we are carrying over the browser-focused benchmarks from the WebKit developers used in our notebook reviews. Hosted at BrowserBench, JetStream 2.0 benchmarks JavaScript and WebAssembly performance, while Speedometer measures web application responsiveness.


From a real-life workload perspective, we also process WebXPRT4 from Principled Technologies. WebXPRT4 benchmarks the performance of some popular JavaScript libraries that are widely used in websites.

The Tiger Lake-based systems round out the top spots in the real-world workloads, while the gap with other systems in the artificial JetStream and Speedometer tests is relatively narrow.
Application Startup: GIMP 2.10.30
A new addition to our systems test suite is AppTimer – a benchmark that loads up a program and determines how long it takes for it to accept user inputs. We use GIMP 2.10.30 with a 50MB multi-layered xcf file as input. What we test here is the first run as well as the cached run – normally on the first time a user loads the GIMP package from a fresh install, the system has to configure a few dozen files that remain optimized on subsequent opening. For our test we delete those configured optimized files in order to force a fresh load every second time the software is run.

As it turns out, GIMP does optimizations for every CPU thread in the system, which requires that higher thread-count processors take a lot longer to run. So the test runs quick on systems with fewer threads, however fast cores are also needed. This combination works out well for the Tiger Lake-based systems, as they grab the top spots in this workload.
GPUs in embedded PCs are rarely used for taxing workloads. In certain applications, they could be used for video processing and other allied functions. Some use-cases such as digital kiosks may require limited 3D graphics capabilities. Our GPU performance evaluation typically involves gaming workloads, and for select PCs, GPU compute. Prior to that, a look at the capabilities of the GPU in the SYS-E100-12T-H is warranted.
The Intel Iris Xe Graphics in the Supermicro SYS-E100-12T-H is an integrated GPU based on a reworked scalable architecture. The performance of the iGPU is miles ahead of previous iGPUs from both Intel and AMD, as the benchmarks below show.
GFXBench
The DirectX 12-based GFXBench tests from Kishonti are cross-platform, and available all the way down to smartphones. As such, they are not very taxing for discrete GPUs and modern integrated GPUs. We processed the offscreen versions of the ‘Aztec Ruins’ benchmark.


The key takeaway here is that the Iris Xe graphics in the SYS-E100-12T-H outclasses AMD’s Renoir in the ASUS PN50 despite having a TDP handicap. In the battle of iGPUs, the Tiger Lake systems outscore the Renoir / Cofee Lake systems handsomely, and within themselves, get ordered based on GPU clock speeds and available power budgets.
UL 3DMark
Four different workload sets were processed in 3DMark – Fire Strike, Time Spy, Night Raid, and Wild Life.
3DMark Fire Strike
The Fire Strike benchmark has three workloads. The base version is meant for high-performance gaming PCs. It uses DirectX 11 (feature level 11) to render frames at 1920 x 1080. The Extreme version targets 1440p gaming requirements, while the Ultra version targets 4K gaming system, and renders at 3840 x 2160. The graph below presents the overall score for the Fire Strike Extreme and Fire Strike Ultra benchmark across all the systems that are being compared.
| UL 3DMark – Fire Strike Workloads | |||

The Fire Strike benchmark sees the Renoir iGPU and the SM-E100-12T-H’s Iris Xe perform very similarly. Otherwise, the observations made in the GFXBench subsection hold true here.
3DMark Time Spy
The Time Spy workload has two levels with different complexities. Both use DirectX 12 (feature level 11). However, the plain version targets high-performance gaming PCs with a 2560 x 1440 render resolution, while the Extreme version renders at 3840 x 2160 resolution. The graphs below present both numbers for all the systems that are being compared in this review.
| UL 3DMark – Time Spy Workloads | |||

The Time Spy workloads see the Renoir iGPU take a clear lead over the Iris Xe in the SM-E100-12T-H. However, the higher power budget available to other Tiger Lake systems see them leave the Renoir iGPU well behind.
3DMark Wild Life
The Wild Life workload was initially introduced as a cross-platform GPU benchmark in 2020. It renders at a 2560 x 1440 resolution using Vulkan 1.1 APIs on Windows. It is a relatively short-running test, reflective of mobile GPU usage. In mid-2021, UL released the Wild Life Extreme workload that was a more demanding version that renders at 3840 x 2160 and runs for a much longer duration reflective of typical desktop gaming usage.
| UL 3DMark – Wild Life Workloads | |||

The Wild Life workload behaves similar to GFXBench – the ASUS PN50 and SM-E100-12T-H perform similarly, with a slight edge for the latter. The other Tiger Lake systems round out the top spots.
3DMark Night Raid
The Night Raid workload is a DirectX 12 benchmark test. It is less demanding than Time Spy, and is optimized for integrated graphics. The graph below presents the overall score in this workload for different system configurations.

The Night Raid workload behaves similar to Time Spy – the ASUS PN50 gets a clear lead over the SM-E100-12T-H, but the other Tiger Lake systems are well ahead with their higher power budget.
One of the key drivers of advancments in computing systems is multi-tasking. On mobile devices, this is quite lightweight – cases such as background email checks while the user is playing a mobile game are quite common. Towards optimizing user experience in those types of scenarios, mobile SoC manufacturers started integrating heterogenous CPU cores – some with high performance for demanding workloads, while others were frugal in terms of both power consumption / die area and performance. This trend is now slowly making its way into the desktop PC space.
Multi-tasking in typical PC usage is much more demanding compared to phones and tablets. Desktop OSes allow users to launch and utilize a large number of demanding programs simultaneously. Responsiveness is dictated largely by the OS scheduler allowing different tasks to move to the background. Intel’s Alder Lake processors work closely with the Windows 11 thread scheduler to optimize performance in these cases. Keeping these aspects in mind, the evaluation of multi-tasking performance is an interesting subject to tackle.
We have augmented our systems benchmarking suite to quantitatively analyze the multi-tasking performance of various platforms. The evaluation involves triggering a VLC transcoding task to transform 1716 3840×1714 frames encoded as a 24fps AVC video (Blender Project’s ‘Tears of Steel’ 4K version) into a 1080p HEVC version in a loop. VLC internally uses the x265 encoder, and the settings are configured to allow the CPU usage to be saturated across all cores. The transcoding rate is monitored continuously. One complete transcoding pass is allowed to complete before starting the first multi-tasking workload – the PCMark 10 Extended bench suite. A comparative view of the PCMark 10 scores for various scenarios is presented in the graphs below. Also available for concurrent viewing are scores in the normal case where the benchmark was processed without any concurrent load, and a graph presenting the loss in performance.
| UL PCMark 10 Load Testing – Digital Content Creation Scores | |||

| UL PCMark 10 Load Testing – Productivity Scores | |||

| UL PCMark 10 Load Testing – Essentials Scores | |||

| UL PCMark 10 Load Testing – Gaming Scores | |||

| UL PCMark 10 Load Testing – Overall Scores | |||

With a TDP of just 15W and a low core count compared to other systems, the SM-E100-12T-H suffers severe performance loss – often upwards of 50% in these workloads. The only saving grace is the performance loss for GPU workloads, which comes in the middle of the pack.
Following the completion of the PCMark 10 benchmark, a short delay is introduced prior to the processing of Principled Technologies WebXPRT4 on MS Edge. Similar to the PCMark 10 results presentation, the graph below show the scores recorded with the transcoding load active. Available for comparison are the dedicated CPU power scores and a measure of the performance loss.
| Principled Technologies WebXPRT4 Load Testing Scores (MS Edge) | |||

The analysis made for the PCMark 10 workload components holds true here also, with the SM-E100-12T-H suffering a 60% loss in performance when subject to simultaneous software transcoding load.
The final workload tested as part of the multitasking evaluation routine is CINEBENCH R23.
| 3D Rendering – CINEBENCH R23 Load Testing – Single Thread Score | |||

| 3D Rendering – CINEBENCH R23 Load Testing – Multiple Thread Score | |||

CINEBENCH R23 is even more brutal, with the performance loss for the SM-E100-12T-H around 80% in both cases. However, we see almost all systems struggling as both the transcoding workload and the 3D rendering workload are active across all cores simultaneously.
After the completion of all the workloads, we let the transcoding routine run to completion. The monitored transcoding rate throughout the above evaluation routine (in terms of frames per second) is graphed below.
The first pass is around 7.5 fps with no concurrent loads. As various other workloads are processed, the transcoding rate gets pushed down to around 4.5 fps, which is to be expected.
The power consumption at the wall was measured with a 4K display being driven through the HDMI port of the system. In the graph below, we compare the idle and load power of the Supermicro SM-E100-12T-H with other systems evaluated before. For load power consumption, we ran the AIDA64 System Stability Test with various stress components, as well as our custom stress test with Prime95 / Furmark, and noted the peak as well as idling power consumption at the wall.

The numbers are consistent with the TDP and suggested PL1 / PL2 values for the processors in the systems, and do not come as any surprise. With the PL1 and PL2 set conservatively to just 15W by Supermicro, the peak power consumption is less than 32W and is sustained in nature. The idling power is a bit high, but can be explained by the presence of various high-speed I/Os and their supporting chips on the board.
Stress Testing
Our first thermal stress routine starts with the system at idle, followed by four stages of different system loading profiles using the AIDA64 System Stability Test (each of 30 minutes duration). In the first stage, we stress the CPU, caches and RAM. In the second stage, we add the GPU to the above list. In the third stage, we stress the GPU standalone. In the final stage, we stress all the system components (including the disks). Beyond this, we leave the unit idle in order to determine how quickly the various temperatures in the system can come back to normal idling range. Traditionally, this test used to record the clock frequencies – however, with the increasing number of cores in modern processors and fine-grained clock control, frequency information makes the graphs cluttered and doesn’t contribute much to understanding the thermal performance of the system. The focus is now on the power consumption and temperature profiles to determine if throttling is in play.
The AIDA64 SST workloads place the sustained at-wall load power consumption around 30W for the system. The package power consumption holds steady at 15W which matches the PL1 / PL2 setting in the BIOS for the processor. The peak iGPU power budget seems to be around 10W, while the cores themselves seem to top out around 12W. The package temperature tops out around 75C, and the SSD doesn’t cross 65C even when subject to stress.
The second thermal stress routine is our custom stress test with Prime95 and Furmark. The Prime95 stress test is allowed to run for 30 minutes before the Furmark load is added. After 30 minutes of simultaneous Prime95 and Furmark, the Prime95 process is terminated and Furmark is allowed free run for another 30 minutes. The system is allowed to idle after being subject to this 90-minute stress routine. The parameters recorded in the course of the AIDA64 SST are also recorded here.
The custom stress test manages to stress the system a lot more from the CPU perspective. We see more variations in the power numbers as the system tries to provide the maximum performance while ensuring that the package power doesn’t go beyond the 15W limit. The iGPU tops out around 7W, much lesser than the 10W seen in the AIDA workload. The temperatures remain similar to the AIDA64 SST case, though.
Thermal Performance
One of the key aspects of fanless systems is the thermal profile under load. Our stress test saw the internal package temperature go as high as 75C, and the chassis (doubling up as a heat-sink) managed to keep it stable around that mark.
Using a FLIR One Pro thermal camera, the maximum case temperature under extreme stress at normal room temperature (25C) was determined to be around 54C.
The gallery above presents additional thermal photographs taken at the end of the simultaneous CPU and GPU loading segment of the custom stress test. We can see that the case is more than capable of handling the 15W TDP of the Core i7-1185GRE.
Networking and storage are aspects that may be of vital importance in specific PC use-cases. The Supermicro SM-E100-12T-H allows end-users to integrate their own WLAN and cellular connections if the deployment needs it. In terms of in-built capabilities, the dual 2.5 GbE ports are unique in this market segment (outside of dedicated x86 networking equipment). From a management perspective, the CPU is vPro-enabled – AMT and native dual LAN support allows out-of-band management with a dedicated LAN port, if necessary.
On the storage side, some applications require wide-temperature range and/or high endurance SSDs. The Supermicro SM-E100-12T-H uses a Innodisk M.2 (S80) 3TE7. It is a M.2 SATA SSD with a wide operating temperature change. However, it is no match for the performance provided by NVMe SSDs in other systems. From a benchmarking perspective, we provide results from the WPCstorage test of SPECworkstation 3.1. This benchmark replays access traces from various programs used in different verticals and compares the score against the one obtained with a 2017 SanDisk 512GB SATA SSD in the SPECworkstation 3.1 reference system.
| SPECworkstation 3.1.0 – WPCstorage SPEC Ratio Scores | |||

The graphs above present results for different verticals, as grouped by SPECworkstation 3.1. The storage workload consists of 60 subtests. Access traces from CFD solvers and programs such as Catia, Creo, and Soidworks come under ‘Product Development’. Storage access traces from the NAMD and LAMMPS molecular dynamics simulator are under the ‘Life Sciences’ category. ‘General Operations’ includes access traces from 7-Zip and Mozilla programs. The ‘Energy’ category replays traces from the energy-02 SPECviewperf workload. The ‘Media and Entertainment’ vertical includes Handbrake, Maya, and 3dsmax. Given that the comparison is between a wide range of SSDs in the systems – including both Gen 3 and Gen 4 NVMe, as well as SATA , the relative numbers for most workloads are not surprising. From an embedded PC perspective, the key aspect is the industrial rating / wide operating temperature range for the SSD itself. This ensures ability of the storage device to withstand operation in demanding environmental conditions.
We opted to forego the evaluation of gaming and HTPC capabilities of the Supermicro SM-E100-12T-H – the system is simply not meant for those use-cases. In some circumstances (say, embedded PCs requiring processing of video feeds delivered over the network), the integrated GPU provides excellent decoding capabilities, as evidenced in the DXVAChecker screenshot below. All major codecs ranging from MPEG2 to AV1 are supported for decoding.
The QuickSync capabilities of the iGPU can also be activated – an aspect we quantitatively evaluated in the transcoding benchmarks presented earlier.
Closing Thoughts
The Supermicro SM-E100-12T-H provided us with the opportunity to evaluate Supermicro’s 3.5″ SBC board for Tiger Lake-U in a fanless chassis. From our evaluation, it is clear that Supermicro delivers effectively on the promise of a high-performance embedded platform. Despite the low TDP of the processor, it is able to deliver compelling performance numbers against much more powerful systems. The platform can also be customized extensively – PCIe slots supporting different form-factors are available to integrate specific WLAN / cellular requirements. Support for analog audio output is also optionally available. There is a wealth of I/O for embedded deployment scenarios. Supermicro is also bringing in some unique features to the embedded market with the SM-E100-12T-H: multiple 2.5 GbE ports and a Type-C port in the front panel.
The only areas of concern that we had from our evaluation was the limiting of the second HDMI port to HDMI 1.4a. Some digital signage deployments could definitely take advantage of multiple 4Kp60 (HDMI 2.0a) outputs. The other aspect is the limiting of the processor TDP to 15W. Given the excellent thermal solution, it is a bit of a surprise as to why Supermicro decided to not be aggressive with the configurable TDP.
Despite these minor quibbles, we have to say that the Supermicro SM-E100-12T presents consumers with a wide range of compelling options for industrial deployments. Street prices seem to start around $1216 for the -H variant reviewed here. Other SM-E100-12T options include the Core i5-1145GRE -E version for $1103 and the Celeron 6305E -C version for $593. These prices are par for the course for systems sold in the B2B market. As it stands, the Supermicro SM-E100-12T-H is a solid offering for various industrial and retail applications, medical systems, digital signage, and IoT applications.










